Gyors szállítás - Utánvétes fizetés - Szakmai segítség: +36302801507 +36304970191

Szállítás 1-3 munkanap

VISAM beépíthető WC tartály szett JIKA Pro függesztett WC-vel, fehér nyomólappal és WC-ülőkével 500x1130x510 mm fehér

Cikkszám: 
SET01
69 990 Ft
Részletek

VISAM beépíthető WC tartály szett JIKA Pro függesztett WC-vel

A VISAM beépíthető WC szett egy komplett, átgondolt megoldás, amely minden szükséges elemet tartalmaz a falba építhető WC kialakításához. A rendszer VISAM beépítő megoldásra épül, amely stabil rögzítést és megbízható működést biztosít.

A csomag tartalmazza a szerelőkeretet, a beépíthető tartályt, a JIKA Pro függesztett WC csészét, a WC-ülőkét, valamint a fehér nyomólapot, így minden szükséges elem rendelkezésre áll a telepítéshez.

Miért érdemes ezt a szettet választani?

  • komplett megoldás, nem szükséges külön elemeket összeválogatni
  • biztos kompatibilitás az alkatrészek között
  • egyszerűbb és kiszámíthatóbb beépítés
  • esztétikus, falba rejtett kialakítás
  • megbízható működés hosszú távon

 

Műszaki adatok:

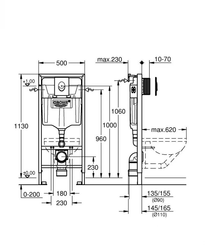
  • Szerelőkeret méretei: 500 mm szélesség, 1130 mm magasság (0-200 mm között állítható lábakkal)
  • Beépítési mélység: fokozatmentesen állítható, max. 230 mm
  • WC csésze típusa: JIKA Pro fali WC, mélyöblítésű kivitel
  • WC csésze méretei: 510 mm hosszúság, 360 mm szélesség, 365 mm magasság
  • Nyomólap: VISAM kétmennyiséges (víztakarékos) nyomólap, fehér színben
  • WC-ülőke: JIKA duroplast anyagú, karcálló és könnyen tisztítható kivitel
  • Tartály kapacitása: 3/6 literes kettős öblítési rendszer
  • Teherbírás: Statikusan 400 kg-ig tesztelt, önhordó acélkeret
  • Szigetelés: Páralecsapódás elleni védelemmel ellátott, zajcsökkentett öblítőtartály
  • A szett tartalma: VISAM szerelőkeret beépített tartállyal, JIKA Pro fali WC csésze, fehér nyomólap, WC-ülőke és minden szükséges rögzítőelem

Átgondolt választás egy lépésben

A komplett beépíthető WC szett előnye, hogy minden szükséges elem egy csomagban érkezik, így nem szükséges külön alkatrészeket kiválasztani és összehangolni. Ez csökkenti a hibalehetőségeket, és egyszerűbbé teszi a tervezést és a kivitelezést is.

A VISAM rendszer stabil alapot biztosít, míg a JIKA Pro WC csésze megbízható és bevált megoldást jelent a mindennapi használat során. 

Válassza a teljes körű kényelmet és a garantált kompatibilitást ezzel a professzionálisan összeállított, 4 az 1-ben beépíthető WC szettel. Ez a csomag minden szükséges elemet tartalmaz – a strapabíró szerelőkerettől az elegáns, perem nélküli kerámián át a modern nyomólapig –, így megkíméli Önt a különálló alkatrészek hosszadalmas válogatásától és az esetleges illesztési hibáktól. A szett megvásárlása nemcsak időtakarékos, hanem a legkedvezőbb ár-érték arámyú megoldás is, amellyel egyetlen lépésben teremthet modern, higiénikus és tágasabb térérzetű fürdőszobát.

VISAM beépíthető WC tartály szett JIKA Pro függesztett WC-vel, fehér nyomólappal és WC-ülőkével 500x1130x510 mm fehér
VISAM beépíthető WC tartály szett JIKA Pro függesztett WC-vel, fehér nyomólappal és WC-ülőkével 500x1130x510 mm fehér
69 990 Ft
Webáruház készítés
Belépés
Elfelejtett jelszó
Betöltés...
Kategóriák
Menüpontok